
适用物料:适用各种物料
价格区间:1000元-50万之间
处理能力:0.5-200 t/h
产品别名:斗式提升机
索要优惠报价
销售热线:
13782587121
立友机械生产的物料提升机不是建筑行业电梯式提升机,是专门针对矿山、煤炭、冶炼、建材、耐火材料、轻工、化工等,大中小块物料连续垂直提升处理,使用方便,造价便宜,是多数厂家必选提升机械。
立友物料提升机有多种形式,螺旋提升、斗式提升、带式提升、链板提升,我们的工程师可根据客户需求,设计出适合您使用的提升机,欢迎你来电咨询。
立友物料提升机安全规程
1、提升机由指定人员进行维护和管理,电源开关箱的钥匙由指定人员管理。
2、提升机必须有卷扬限制器和行程限位器,限制器应使滑轮在提升到距离卷筒或滑轮300mm以前时能自动停止。动作灵敏可靠,并进行试吊。
3、提升机应有大负荷标志,在提升、降落时重量不许超负荷(1T)。
4、送电后,检查卷扬限制器、行程限位器、联锁开关等安全装置
5、起吊、降落前,鸣铃示警后,方可开车。
6、提升机决对不允许载人上、下。
7、工作完后,提升机吊盘应落地,然后切断电源,关好上下护栏门。
8经常保持提升机周围环境卫生。
立友物料提升机注意事项
1、应空负荷开车。所以每次停机前应排尽所有料斗内的物料,然后再停车。
2、不能倒转。倒转即可能发生链条脱轨现象,排除脱轨故障很麻烦。
3、均匀喂料。禁止突然增大喂料量。喂料量不能超过提升机的输送能力。否则容易造成底部的物料堆积严重时发生“闷车”事故。
4、及时适量补充润滑油。
5、链条和料斗严重磨损或损坏时应及时更换。
斗式提升机型号参数:NE\TD\GTD\HL\TB等型号
| 型号 | 最大给料粒度mm | 料斗 | 提升高度m | 最大提升能力 (立方米/h) | 电动机功率 提升机重量 | ||
| 斗距mm | 宽度MM | 容量L | |||||
| TB250 | 90 | 200 | 250 | 3 | 5-40 | 25 | 按具体的垂直斗式提升机订货总图核计确定 |
| TB315 | 100 | 200 | 315 | 6 | 46 | ||
| TB400 | 110 | 250 | 400 | 12 | 75 | ||
| TB500 | 130 | 320 | 500 | 25 | 95 | ||
| TB630 | 150 | 400 | 630 | 50 | 148 | ||
|
注:表中最大输送能力是按填充系数ψ-0.8计算得出的,仅供参考。 |
|||||||
螺旋提升机型号参数:GX\ls等型号
| 规 格 | 主要技术性能 | 驱动装置 | 驱动装置 |
重量 (kg) |
||||
| 直径 |
长度 (m) |
产量 (水泥) t/h |
转速 min-1 |
减速机 | 电动机 | |||
| 型号 | 速比 | 型号 |
功率 (kw) |
|||||
| GX200 | -10 | 9 | 60 | JZQ250 | 23.34 | Y90S-4 | 1.1 | 726 |
| GX200 | -20 | 9 | 60 | JZQ250 | 23.34 | Y90L-4 | 1.5 | 1258 |
| GX250 | -10 | 15.6 | 60 | JZQ250 | 23.34 | Y100L2-4 | 2.2 | 960 |
| GX250 | -20 | 15.6 | 60 | JZQ250 | 23.34 | Y100L1-4 | 3 | 1750 |
| GX300 | -10 | 21.2 | 60 | JZQ350 | 23.34 | Y100L2-4 | 3 | 1373 |
| GX300 | -20 | 21.2 | 60 | JZQ350 | 23.34 | Y112M-4 | 4 | 2346 |
| GX400 | -10 | 51 | 60 | JZQ400 | 23.34 | Y132S-4 | 5.5 | 1911 |
| GX400 | -20 | 51 | 60 | JZQ500 | 23.34 | Y160M-4 | 11 | 2049 |
| GX500 | -10 | 87.5 | 60 | JZQ400 | 23.34 | Y132M-4 | 7.5 | 2381 |
| GX500 | -20 | 87.5 | 60 | JZQ650 | 23.34 | Y180M-4 | 18.5 | 5389 |
| GX600 | -10 | 134.2 | 45 | JZQ750 | 23.34 | Y180L-4 | 22 | 3880 |
| GX600 | -10 | 134.2 | 45 | JZQ850 | 23.34 | Y250M-4 | 55 |
7090 |
垂直振动式提升机型号参数:
| 型号 |
输送量 (t/h) |
输送槽直径 (mm) |
输送宽度 (mm) |
输送高度 (m) |
振次 (min) |
双振幅 (mm) |
电动功率 (kw) |
重量 (kg) |
| DZC300 | ~1.0 | 300 | 77 | ≤2.0 | 960 | 6~7 | 2×0.4 | 680 |
| DZC500 | ~2.0 | 500 | 140 | ≤3.0 | 6~8 | 2×0.75 | 1010 | |
| DZC550 | ~3.0 | 550 | 152 | ≤3.5 | 6~8 | 2×1.5 | 1190 | |
| DZC600 | ~3.0 | 600 | 163 | ≤4.0 | 6~7 | 2×1.5 | 13210 | |
| DZC800 | ~4.0 | 800 | 224 | ≤4.5 | 6~8 | 2×2.2 | 1590 | |
| DZC850 | ~4.0 | 850 | 224 | ≤5.0 | 6~9 | 2×2.2 | 1750 | |
| DZC900 | ~3.5 | 900 | 185 | ≤6.0 | 6~9 | 2×3.0 | 2100 |
斗式物料提升机工作原理
螺旋物料提升机工作原理
振动式物料提升机工作原理
带式物料提升机结构图纸
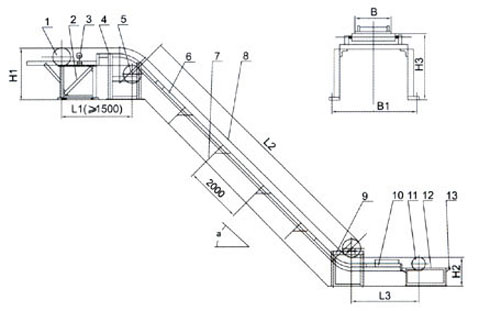
Z型物料提升机结构图
垂直式物料提升机结构图
斗式物料提升机结构图
螺旋式物料提升机结构图
Copyright(C) 豫ICP备18015440号